4.木造住宅の片持ち階段
(設計:小林良+白井亮+平山裕章/佐藤宏尚建築デザイン事務所/イイヅカアトリエ)
坪井)次は話を戻して、建築の話です。
プロジェクトは3つあって、全部木造の住宅です。木造の住宅を作るときに、キャンチレバーの階段をつくりたいと言う建築家が結構いるんです。木造だとキツいということで、話が終わってしまうこともありますが、僕はなんとか造ってみようということで、やっています。
photo : (c) 坪井宏嗣構造設計事務所
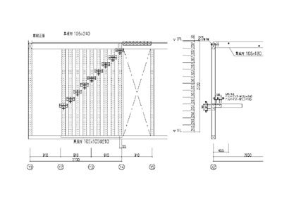
坪井)これは、KABE(設計:小林良+白井亮+平山裕章)というプロジェクトです。名前の通り家の中にでかい壁がある。この壁に階段の段を、105×210の木材を横に転ばせて差し込みました。みなさん笑っていますけど、笑っちゃうようなことなんです。
壁に段の分だけ横に材を並べて、その間に階段を挟み込むようにしています。こういう材を壁に仕込んで、階段を差し込み、そこでボルトにとめます。ボルトは、木材3本分抜いています。かなり強引な計画です。
結構面白い現場になりました。
ヨコヲノ森)さっきの図面では木材がかなり密にあるように見えましたが、実際は疎になっていますね
坪井))若干減らしています。
ヨコヲノ森)階段は、計算上どのくらいたわむんですか?
photo : (c) 坪井宏嗣構造設計事務所
坪井)先端でジャンプして3〜5mm、想定荷重は、60キロでの衝撃荷重とし、120キロで計算しています。材質は集成材です。120キロで3〜5mmです。
これは木造なので、めり込んだり遊びがあったりと、計算に乗らないことが色々あるとおもうんです。計算通りにはいかないだろう、ということで現場の時点でお施主さんに載ってみてもらいました。お施主さんが文句なければ良いだろうということで、ちゃんとお伺いを立ててGOを出してもらいました。
挟んである部分が、経年変化で凹んで遊びが出てくる、ということもあると思うので、ガタが出てきたらササラを入れましょうか、というところまでお施主さんの了解を得ています。
ヨコヲノ森)上からだけのビスですか?下からは何もしてない?
坪井)最初はラグスクリューで抜こうと思ったのですが、そんな長いものはないと言われてしまい、ボルトで留めています。横はとめてないです。下は、3本貫通して留めてます。
photo : (c) 坪井宏嗣構造設計事務所
坪井)工事を施工した高島工務店も結構物好きな工務店で色々つきあってくれました。壁の仕上げを構造用合板の短冊切りにして、それを貼り付けて塗装なんですが、こういう曲げも現場で、どうやって曲げたか知りませんが曲げて施工してくれています。上がトップライトで光が落ちてきます。
若い夫婦の家で、子供ができたら手すりはどうしようかと考えているみたいです。

photo : (c) 佐藤宏尚建築デザイン事務所
坪井)次はスリットの家(設計:佐藤宏尚建築デザイン事務所)。新潟県の村上市にあります。設計事務所は佐藤宏尚さん。大学の先輩で、忘年会で知り合いました。ここでも同じようにキャンチ階段をつくりたいと。同じような見栄えの画だったのですが、同じことをやってもしょうがないと思い、こちらは一段一段柱を立てて、そこに鉄骨のプレートを仕込み、ドリフトピンで横からとめようという発想です。先程のKABEとは少し違います。

photo : (c) 坪井宏嗣構造設計事務所
あまりに遠方だったので、竣工後にまだ見てないし載ってもいないですが、使用上全然問題ないということでした。
photo : (c) 坪井宏嗣構造設計事務所
坪井)次はまたアクロバティックな階段なのですが、飯塚拓生さんという清水建設出身の建築家の設計です。小石川の家(設計:イイヅカアトリエ)という物件なのですが、家の真ん中に吹き抜けがあって、そこを通る階段です。
階段自体は鉄骨なのですが、家は木造3階で、真ん中の壁から鉄骨の折り曲げ階段を見せたいということで設計をしました。折り曲げ階段だったら、普通は板厚4.5mmくらいでつくるんですけれど、折り曲げのキャンチ階段が途中で単純梁になってしまうので、その部分が4.5mmだと全然駄目なんですよね。
鉄板が折り曲げてあって、バネみたいになりそうでした。この部分は9mmにして欲しい、と飯塚さんに提案しました。しかし、見栄えは統一したいということで、中間をとって6mmにしてみますかということになりました。6mmにするとすごく揺れますけれどいいですか?と確認したら、とにかくつくってみましょうとなりました。
また、お施主さんに載ってもらうパターンとなりました。
photo : (c) 坪井宏嗣構造設計事務所
坪井)そうしたら鉄骨屋さんにこんなにじゃだめだと言われて、裏にササラプレートみたいなものをつけられてしまいました。搬入するときに曲がっちゃう、と言われて。階段が現場に運ばれて来たらきたらそういう状態だったんですが、折角だから取りましょうよ、ということでプレートは取ってもらいました。
この階段は見た目を6mmに統一したため、途中までは揺れないんですね。でも突然ふわっとなります。降りる時の方が揺れは感じやすいです。
体重違うから当たり前なんですけど、現場はたいてい60キロじゃなくて100キロくらいの人がいたりして、もっと大きいだろう、なんて言われもしたのですが、なんとか許容範囲ということでした。
photo : (c) 坪井宏嗣構造設計事務所
坪井)意匠設計の担当者の方はこれじゃあ怖いと言っていたんですけど、飯塚さんとお施主さんが良いんじゃない?という事で落ち着きました。階段では結構際どい設計をすることが多いので、僕は良くお施主さんの体重を聞いてしまうんですよね。階段の設計をするときは安全性というよりも、居住性や使用性の問題が大きく、50キロと100キロじゃ全然感じ方が違うので聞くのですが、そんなことを聞かれたのは初めてと担当者に言われました。
<< Back to PAGE
